Aknur, Refginanda and Nur, Tajuddin and Muslim, Joko (2025) ANALISA IMPLEMENTASI CO-FIRING PADA PLTU SEBALANG 2 X 100 MW. ANALISA IMPLEMENTASI CO-FIRING PADA PLTU SEBALANG 2 X 100 MW.
JURNAL REFGINANDA AKNUR.docx
Download (431kB)
image2.png
Download (57kB) | Preview
image7.png
Download (19kB) | Preview
image4.png
Download (50kB) | Preview
image5.png
Download (24kB) | Preview
image8.png
Download (27kB) | Preview
image6.png
Download (18kB) | Preview
image1.jpeg
Download (50kB) | Preview
image3.png
Download (48kB) | Preview
Abstract
The government is currently focusing on the utilization of environmentally friendly energy as part of efforts to reduce carbon emissions, with a target of achieving net zero emissions by 2060 in accordance with the Paris Agreement. One of the strategies implemented is the use of alternative fuels to reduce dependence on fossil fuels. However, achieving the zero emission target faces various challenges, such as infrastructure readiness, significant investment costs, and the resources required to build renewable energy based power plants. Moreover, power plants that rely on fossil fuels are difficult to deactivate abruptly due to their crucial role in ensuring a continuous electricity supply.
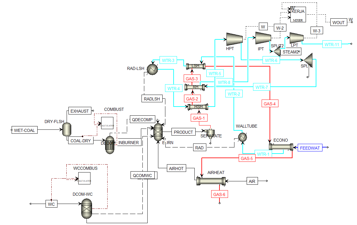
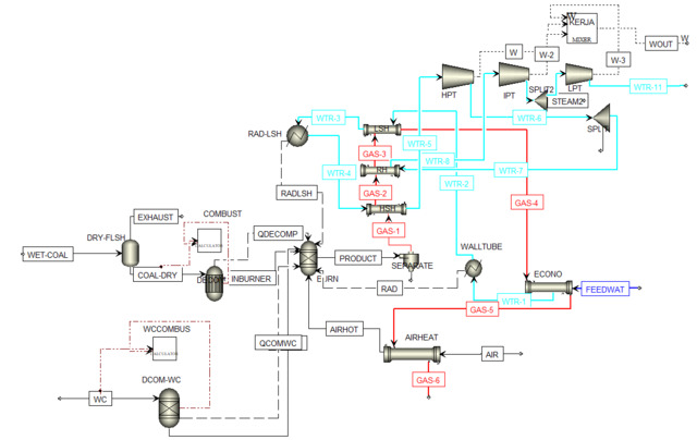
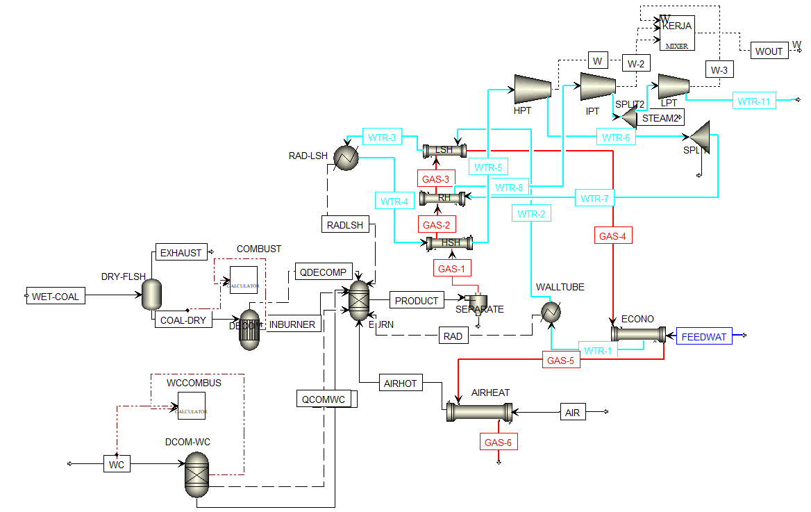
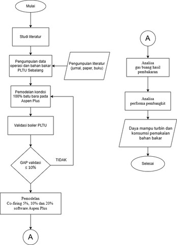
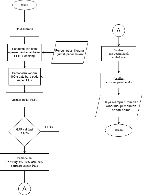
One method that can be implemented to reduce emissions from coal fired steam power plants (PLTU) is cofiring, which is the process of burning a mixture of coal and biomass in certain proportions. This policy has the potential to impact the performance of existing equipment in the power plant, considering that these equipment are designed for coal specifications.
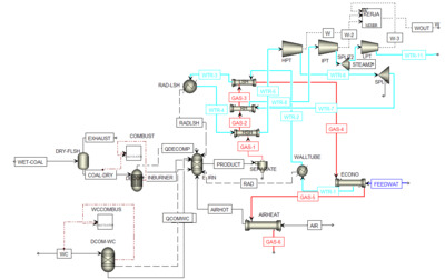
Therefore, this research aims to analyze the impact of biomass use on the main equipment in the Sebalang 2x100 MW Power Plant. The analysis is conducted through cofiring simulations with biomass compositions of 5%, 10%, and 15%. This modelling uses Aspen Plus V12.1 software. The type of biomass selected for this study is woodchip.
Keywords : biomass, cofiring, emissions, PLTU
| Item Type: | Article |
|---|---|
| Subjects: | Thesis |
| Divisions: | Pasca Sarjana > S2 Teknik Elektro |
| Depositing User: | Mr AKNUR REFGINANDA |
| Date Deposited: | 27 Feb 2026 04:53 |
| Last Modified: | 27 Feb 2026 04:53 |
| URI: | https://repository.itpln.ac.id/id/eprint/4342 |
